Energieeffizienz
Weitere Informationen folgen in Kürze

Automatische Energiesparfunktion
Frequenzumrichter aus dem Produktportfolio von SAM verfügen grundsätzlich über eine integrierte automatische Energiesparfunktion. Diese stellt dem Antrieb nur soviel Energie zur Verfügung, wie er tatsächlich benötigt. Damit ergeben sich hohe Einsparpotentiale bei Pumpen, Ventilatoren und im Teillastbereich betriebenen Haupt- und Nebenantrieben.
Durch Drehzahlregelung von Filterventilatoren wird die Nutzung der Energiesparfunktion bei Mühlen-Aspiration ermöglicht (Hier den ausführlichen Applikationsbericht anfordern)
Energieeinsparung durch die Drehzahlregelung von Hammermühlen mit Nutzung der automatischen Energiesparfunktion (Hier den ausführlichen Applikationsbericht anfordern)


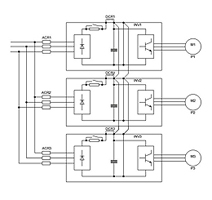
Zwischenkreiskopplung
Mit einer Zwischenkreiskopplung werden die DC-Zwischenkreise mehrerer Umrichter für einen Energieaustausch zwischen einzelnen Antrieben verbunden. So kann die bei Bremsvorgängen anfallende Energie automatisch anderen Antrieben nutzbringend zugeführt werden. Es wird weniger Energie aus dem Versorgungsnetz entnommen.
Rückführung der anfallenden Bremsenergie durch Zwischenkreiskopplung bei Mühlen- und Hilfsantrieben (Hier den ausführlichen Applikationsbericht anfordern)

Aktive Netzrückspeisung (AFE – Active Front End)
Durch den Einsatz einer separaten Rückspeiseeinheit (RHC) kann dort, wo Bremsenergie anfällt aber keine DC-Zwischenkreiskopplung möglich ist, die überschüssige Energie in das Versorgungsnetz zurückgeführt werden.

Weniger Energieeinsatz durch entfallende Blindleistungsaufnahme (cos phi = 1)
Frequenzumrichter entnehmen dem Versorgungsnetz kaum Blindleistung. Damit entfällt nicht nur die Investition in eine Kompensationsanlage. Zusätzliche Stromwärmeverluste in den Leitungen durch Blindströme werden ebenfalls vermieden.